1. 项目概况
本项目为青海腾翔工贸公司电子围栏系统定制设计项目,结合青海腾翔工贸公司厂区布局、安全防护需求,定制设计电子围栏系统,实现厂区周界安全防护,防范非法入侵、盗窃等安全风险,保障厂区人员和财产安全。
2. 项目核心需求
(1)厂区周界防护痛点
青海腾翔工贸公司厂区面积大、周界长,传统周界防护方式(如围墙、人工巡逻)存在防护盲区多、非法入侵难以快速发现、巡逻成本高、应急响应滞后等问题,无法满足厂区安全防护需求,存在人员和财产安全隐患。
(2)电子围栏系统定制需求
需定制一套电子围栏系统,实现厂区周界全方位防护,具备非法入侵检测、报警联动、轨迹追溯等功能;系统需适配青海腾翔工贸公司厂区地形(如山地、平地),具备抗干扰、耐低温等特点,适配当地气候环境;同时需与厂区现有监控系统、报警系统集成,实现联动处置。
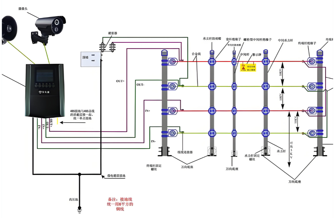
3. 电子围栏系统定制设计核心内容
(1)系统整体定制设计
结合青海腾翔工贸公司厂区布局、周界长度、地形特点,定制设计电子围栏系统整体架构,分为前端电子围栏、传输层、报警平台层,确保系统覆盖厂区所有周界,无防护盲区;设计系统联动机制,与厂区现有监控系统、报警系统集成,实现非法入侵检测、报警、视频联动的全流程闭环管理。
(2)前端电子围栏定制设计
根据厂区周界地形(山地、平地),定制电子围栏安装方案,选用适配的电子围栏设备(如脉冲电子围栏主机、前端围栏、报警探测器等);针对青海低温、多风的气候特点,选用耐低温、抗风、耐腐蚀的设备,确保系统稳定运行;合理设计电子围栏高度、间距,提升防护效果。
(3)报警功能定制设计
结合厂区安全防护需求,定制报警功能,包括非法入侵报警、故障报警、断电报警等;设置多级报警机制,根据入侵严重程度发出不同等级的报警信号,同时将报警信息推送至管理人员手机和监控中心;支持报警轨迹追溯,便于后续查询和处理。
(4)系统兼容性设计
在定制设计过程中,注重系统兼容性,确保电子围栏系统与青海腾翔工贸公司现有弱电系统(监控系统、报警系统、办公网络)无缝集成,实现数据互通、协同运行,避免重复建设,降低企业成本。
4. 设计优势与应用价值
(1)设计优势
定制化设计贴合青海腾翔工贸公司厂区场景和地形特点,防护无盲区;系统适配当地气候环境,稳定性强、抗干扰能力突出;与现有弱电系统兼容,实现联动处置,提升防护效率;报警功能定制化,贴合企业安全防护需求。
(2)应用价值
通过电子围栏系统定制设计,实现青海腾翔工贸公司厂区周界全方位、智能化防护,有效防范非法入侵、盗窃等安全风险,保障厂区人员和财产安全;减少人工巡逻成本,提升安全防护效率;与现有系统联动,实现快速应急处置,降低安全事故损失,助力企业实现安全生产标准化。

甘公网安备 62010202002440号